Accueil > Nos produits > Autres produits > Compensateur métallique a brides
Retour

Compensateur métallique a brides

Les compensateurs de dilatation à brides sont essentiels pour les installations de fluides soumis à des variations thermiques et mécaniques importantes.

Ils offrent plusieurs avantages :

  • Absorption des mouvements et vibrations :conçus pour gérer les dilatations axiales, les vibrations et les légers désalignements dans les conduites.

  • Plage de service étendue : fonctionnement fiable entre -90 °C et +400 °C avec une pression de service maximale de 16 bar et une pression d’éclatement de 32 bar.

  • Installation simplifiée et économique : faible perte de charge, coûts d’installation et de maintenance réduits, montage avec brides PN10 / PN16 selon EN 1092-2.

  • Robustesse et sécurité : conception conforme à EJMA 7th 2000, tests de pression EN 12266-1 et fabrication selon la directive européenne 2014/68/EU pour équipements sous pression Cat. III mod. H.

  • Durabilité améliorée :le manchon intérieur prévient les déformations du soufflet pour un fonctionnement optimal même à haute température

  • Applications principales : chauffage, climatisation, refroidissement de l’eau surchauffée, systèmes de protection incendie, vapeur et autres fluides industriels.


Ces compensateurs garantissent sécurité, performance et longévité pour les installations industrielles soumises à des conditions extrêmes.


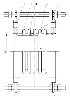
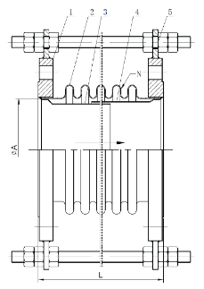
NO DÉSIGNATION MATIÈRE
1 BRIDES ACIER Q235 / INOX AISI304
2 SOUFFLET INOX AISI304
3 CHEMISE INTERNE INOX AISI304
4 CHEMISE EXTERNE INOX AISI304
5 TIRANTS ACIER GALVANISE


Contactez-nous pour plus d'information ou un devis technique!

Vous souhaitez un devis pour ce produit ? 

Notre équipe se chargera de vous fournir la meilleure offre technique et financière correspondant à vos besoins.

Contact et devis
Les champs indiqués par un astérisque (*) sont obligatoires